POST TIME:2021-07-22 17:05
如何制作電話燈及其原理
家里新裝了電話機,可是由于光線不好,撥號時還得開燈,覺得很不方便。因而參考電話機和光電耦合器、可控硅的工作原理,設計制作了一個電話燈,工作一段時間后,覺得較實用,發現這種電話燈尚有如下的用途: 一、撥號照明:摘機后燈即亮,可當作撥號照明燈。 二、提醒掛機:打完電話,放回話筒,如果燈未熄滅,說明話筒未放好,提醒使用者正確掛機。 三、盜打警示和外線斷線提示:如你自家未打電話而燈亮,可提起話筒聆聽,如有話音,說明有人盜用你的電話線路;如無任何聲音,說明外線斷線,即可通知電話局維修。 四、來電話提示:老人耳背可能聽不到振鈴聲;嘈雜的商店也可能聽不到振鈴聲,當看到燈在不斷閃亮時,即可知有電話來了。

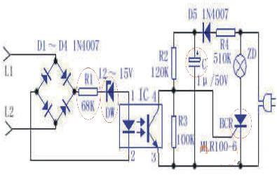
電路如上圖所示。L1、L2接到接線盒上用電話線并接,由于D1~D4的接入,L1、L2可不分極性隨意連接。掛機狀態時,饋電電壓約為48V,經R1限流,使DW擊穿,光耦IC導通,可控硅無觸發電壓截止,燈不亮。有電話來時,25Hz鈴流經D1~D4整流為脈動直流,使光耦不斷導通和截止。可控硅得到脈沖觸發導通和截止,燈泡發出閃爍的光。摘機時,高內阻的饋電電壓馬上下跌到≤12V,DW不能擊穿,光耦IC截止,其④腳電壓上升,可控硅觸發導通,燈泡點亮。為延長燈泡使用壽命,同時也為了省電,可控硅采用單向可控硅,這樣,燈泡點亮時二端電壓僅有約115V。平時,燈泡不亮時,電路幾乎不耗電,因此非常省電。 元件選擇:D1~D5選用1N4007,DW可用12~15V的齊納二極管,光耦IC用PC817等四腳光耦,可控硅可用任何1A/400V的單向可控硅,如MLR100-6、BT169D等。燈泡用15~60W都可,電阻用1/8W即可。