POST TIME:2021-07-22 17:04
模擬電話機發出的振鈴聲,發聲方式是有一定時間間隔的間歇式連續聲響。
在電路中,兩個五五五與外圍阻容元件各自組成一個多諧振蕩器電路,其中IC1組成的是低頻振蕩電路,振蕩周期3至4秒。IC2組成的振蕩電路的頻率約500赫茲,IC1的信號輸出端第3腳和IC2的接地端第1腳是直接連接的,中間沒有任何電路元件,這種連接表明,IC1的輸出低頻矩形波對IC2的振蕩頻率的調制方式是直接調制的,即用矩形波來調制矩形波,因此IC2輸出的矩形波的前后沿仍然是原來的前后沿,沒有發生變化。而調制信號對IC2輸出矩形波的作用僅僅是使這個約500赫茲的音頻信號產生間斷,間斷時間由IC1輸出的低頻脈沖的周期決定。
電路的工作過程:IC1的輸出脈沖是高電平時,IC2停止振蕩,電路不信號,當IC1輸出脈沖為低電平時,IC2的第1腳被接地,電路開始振蕩并振蕩信號,IC1輸出脈沖的低電平決定著輸出信號的間斷時間。

模擬電話通信是以電信號模擬語聲變化的一種通信方式。下圖為模擬電話通信示意圖。發端為送話器,收端為受話器,發端和收端之間通過傳輸線路連接。當發話者對著送話器講話時,語聲振動激勵空氣產生聲波,聲波作用于送話器,使送話器回路中的電流發生相應的變化,這個電流簡稱話流。話流沿線路傳送到對方受話器。受話器在話流的作用下,把電流的變化轉換成聲波的振動,最后經過空氣傳給人耳的感覺器官。這就是電話的最基本原理。
模擬電話主要原理中繼線
中繼線可以理解為連接交換機之間的一組有標號的導線,它的功能就是把各路話音信息互不影響的傳送到另一端去。例如,我們可以拿起A交換機上的分機號為123的電話撥交換機B上的分機456;當按9請求占用中繼線時,交換機會從A到B之間的中繼線中選中一條中繼線,假設選中第17條中繼線;然后通過中繼線把主被叫傳送過去,這樣,在B交換機上收到了456的分機號;B交換機讓分機號為456的電話機震鈴,然后用戶摘機,進入通話;這樣就建立了從分機123,中繼線17,分機456的一條通話線路。
模擬中繼和數字中繼
從硬件上看去,交換機上分別安裝了模擬和數字的中繼控制模塊,而線路上傳送的電信號,也分別為模擬和數字的。中繼模塊的類型只要兩邊相同就行了,和用戶模塊類型沒有關系,所以可以有兩個模擬電話,中間通過數字中繼連接。
模擬中繼線可以仍然用一條電話線來傳輸一路中繼;數字中繼線一般是一對同軸電纜,或者雙絞線。一對E1的同軸電纜可以傳送30路話音;而模擬中繼線和普通電話線一樣,傳送一路話音需要一對導線。
用電話機振鈴1C作模擬聲效發生器電路圖
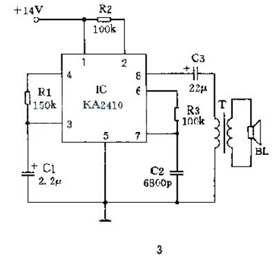
電子專用振鈴IC已廣泛應用于電子電話機振鈴電路。實踐證明,只要適當改變IC外圍元件數值,就可以產生多種電子音。在某些場合,完全可以取代目前流行的四聲片、八聲片以及兩片555時基電路便可構成各種電子音發生器。 工作原理:本文以常見的KA2410為例,它的特點是輸出功率大,工作電壓范圍寬(DC在10~28V),價廉易購。能直接代換的有CS8204、CIC9106、TA3100P等,其它類型的也可以按此原理應用。KA2410的引腳和內部電路如圖2所示。該IC內部能產生一個低頻信號和兩個高音頻信號,兩個高頻信號受低頻信號的控制而交替輸出。改變低頻時間常數可以改變兩個高頻信號的輸出交替快慢程度和時間長短,改變高頻時間常數可改變輸出信號的音調高低。


基于以上原理,只要改變IC的3、4腳和6、7腳的阻容元件數值,即可使輸出有警車聲、槍聲、門鈴聲、灑水聲等多種聲音。 典型應用如圖3所示。它可取代兩片NE555產生警報聲,且聲音更加逼真而引人注意。KA2410的輸出阻抗較高,如果用常見的低阻抗揚聲器輸出,最好用一只電話機振鈴專用變壓器匹配,這樣聲音效果更佳。如要求大功率輸出的場合,可加一級功率放大器。