【摘 要】 主要介紹了一種由單片機控制的新型投幣電話機的電路及工作原理。 關鍵詞:投幣電話,CPU控制,電路
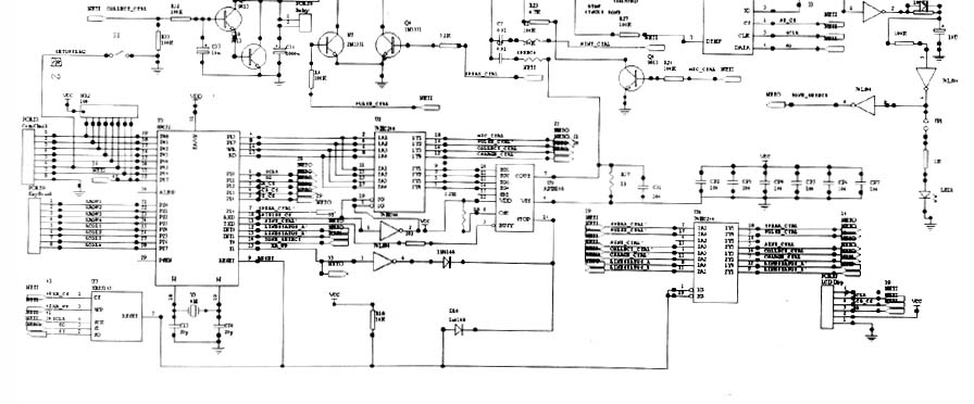
1 引 言 投幣電話機具有無需專人看管,可完成自動收幣,使用靈活的特點,為電信服務部門提高勞動生產率,以及方便廣大市民的通信聯系起到了積極的作用。2 設計功能介紹 投幣電話機與普通電話機的主要區別是增加了打電話時的即時記時收費功能。具體為,當打電話者在撥號前將規定種類的硬幣投入到電話機中,電話機判別其達到規定幣值后,方允許用戶撥號。如果撥號接通,則在被叫方摘機的瞬間,交換機就會向做重叫的投幣話機送來收費信號,當投幣話機接收到這一信號后接收投幣;如果未叫通被叫方,則用戶掛機,投幣話機即退出硬幣。記時是從被叫電話應答時開始,且當通話到所投幣規定用時前會發出語音告警信息,如果在告警期間再投入規定的硬幣,則可繼續打電話,否則投幣話機到時會強行自動拆線。 投幣電話機電路方框圖見圖1。3 電路組成 該投幣電話機各個電路由CPU統一管理、協調。 它主要由以下電路組成:收費信號檢測電路、極性保護電路、收幣驅動電路、開關切換電路、通話電路、語音隔離電路、發號電路、450Hz撥號音檢測電路、CPU組成的單片機控制電路、語音模塊及顯示器電路等,其中開關切換電路、收幣驅動電路、語音模塊及顯示器電路、撥號音檢測電路等均要受到控制電路CPU的監控。在CPU的輸入端口,還接有硬幣檢測電路端口、按鍵輸入端口、及費率貯存器端口。 電路原理圖見圖2。

由圖2可知,電話外線從PORT4端口進入本機,在PORT4(1)腳經過話機叉簧開關PORT6加到極性變換及保護電路D3正極,(2)腳加到保護電路D4正極。極性變換電路由四個二極管構成橋式整流電路,它們進行極性變換及保護,以保證其它電路可靠穩定地工作,并使進入本電話機的信號極性保持一致。


開關切換電路主要由三極管Q1、Q2構成,從單片機擴展口送出的脈沖信號加到R6上,經過N2驅動三極管Q2和Q1,可控制電話通路的通與斷。 接在電話外線之間的反極性信號檢測電路由R41、R42及D5、D6組成,該電路的功能是接收判別交換機送來的收費信號(被叫摘機信號),并送出收費控制脈沖。我國規定交換機送出的收費信號大體為兩種:一種為反極性信號,它是一種直流信號,利用改變投幣電話機用戶線饋電電壓極性來實現的;另一種為16KHz脈沖信號,它是持續時間為150ms左右的正弦脈沖信號,幅度要求在70mv左右。本機使用反極性信號使CPU送出收幣驅動信號和收幣控制信號。該電路從電話外線上取出反極性信號,并在D5、D6的正極上取得后直接送CPU(12)(13),然后再由單片機擴展口送出收幣控制信號到Q9基極,送硬幣檢測信號到Q8的基極。 收幣控制電路由Q7、Q8和部分電阻組成,它受到硬幣檢測信號的控制。收幣驅動電路由Q9、Q10和PORT8特種繼電器組成。收幣電路的作用是根據要求驅動收幣機構收取投入到電話機中的硬幣,使停置于幣道中的硬幣進入幣盒之中,該電路是這樣進行工作的。在平時,由于Q8基極得到高電位,Q8、Q7導通,使PORT8線圈中有很小電流通過,并對C36進行充電,由于市話線路電流大約在十幾mA左右,這時PORT8繼電器不能動作(C36是一個1000μF的大電容)。而當Q9基極收到CPU送來的收幣信號時,它馬上導通,使Q10導通,這時C36迅速通過PORT8繼電器線圈和Q9、Q10進行放電,由于放電電阻很小,使PORT8繼電器線圈得電,繼電器動作,完成自動投幣。當硬幣滑落幣道后,PORT8繼電器恢復初始狀態。C36又重新進行充電。 另外,當通話時間快到了,投幣電話機會自動開始語音提示,如果主叫要延長通話時間,則需再投入硬幣,電話機要進行第二次收幣,由于此時交接機不會再產生收費控制脈沖,本機是通過單片機自動產生模擬收幣信號,使收幣機構工作,完成第二次收幣。同時語音提示由專用語言模塊產生,送通話電路提示用戶。 本機通話電路集成塊采用的是TEA1110A專用話機通話集成電路。在一片芯片內包含有通話電路所需要的全部電路和撥號接口電路,撥號方式與通話方式之間的轉換由電子開關完成,下面列出TEA1110A出腳主要功能,以利于分析電路: IR:受話放大器輸入腳,SLPE:斜率調節腳(直流電阻調節腳),MUTE:靜噪輸入腳,DTMF:雙音多頻信號輸入腳,REG:穩壓器去耦腳,GAR:受話放大器增益調節腳,OR:受話放大器輸出腳,MIC:(+,-)送話放大器正、反輸入腳,LN:正線路腳。 這里重點介紹兩個出腳的功能:第一為MUTE靜噪輸入腳,它用來控制通話電路的工作狀態。如果靜噪輸入腳接高電平,則發送通路的電子開關把DTMF信號接到發送放大器的驅動級,同時把送話輸入放大器和接收輸入放大器斷開,此時通話電路處于雙音多頻發號狀態,如果是脈沖撥號,則DTMF端無信號輸入,整個通話電路被靜噪。如果靜噪腳(M)處于低電平或懸空,電子開關把發送輸入放大器和接收輸入放大器接通,此時電路處于通話狀態,可以進行正常通話。第二為DTMF雙音多頻輸入腳,在雙音頻發號期間,從該腳送入雙音頻信號,該腳信號來自于撥號集成塊HT9200A(7)腳,經過通話集成塊處理后,一路從LN腳送出,送往線路,它的電壓放大增益為26dB,另一路經過塊內衰耗器送到OR腳受話器,由于該信號的電平很低,所以在受話器中可以聽到輕微的撥號確認音。另外,變換R20的大小可以改變受話放大器的增益大小,從而改變受話器的音量。 本機的發號電路采用的是HT9200A專用撥號集成電路。投幣電話機的撥號方式與普通電話機一樣,可以是直流脈沖,也可以是雙音頻。所不同的是投幣電話機的撥號條件有兩個:一是摘機,二是要投入足夠的硬幣,只有在這兩個條件同時具備后,按鍵才能有效,電話機才能發出撥號信息。HT9200A撥號專用集成塊的輸入腳同時輸入由CPU輸出送來的收幣檢測信號、摘機信號和用戶撥打的號碼,并轉化成雙音頻信號送往外線。 本投幣電話機各電路均由單片機控制處理協調,其中CPU的型號為89C52。與CPUP00~P07腳相連接的是硬幣檢測電路端口,與CPUP20~P27腳相連接的是話機按鍵電路端口,CPU通過輸入輸出擴展端口可以與相應電路進行連接,它們是:(1)控制語言模塊(U9 AP18108)產生告警音、語言提示音、及各種音樂等等,從U9第(7)腳輸出送往U6(TEA1110A的IR腳)。注意當從語音模塊U9送出語音信號時,通話集成電路U6內部受話放大器工作,接在U9第(12)上的受話器能聽到語言聲,但我們不希望該語言信號送往電話外線,所以在通話集成電路U6的IR腳上接有由Q5、Q6組成的語音隔離電路。Q6基極從CPU輸出端得到高電平,即Q6、Q5導通,使Q5射極對地短路,從而保證語音信號無法送外線。(2)CPU同時通 過擴展模塊74HC244驅動液晶顯示模塊工作,顯示本·65·投幣電話機的工作狀態,可提供直觀的人機界面。(3)CPU通過擴展模塊能及時調用存貯器中的所有數據。該存貯器的信號為U7 XR25165,在它內部存貯有長話、農話、市話等費率信息內容,供CPU隨時調用外理。 本投幣電話機還設有撥號音檢測電路,它是由專用撥號音檢測集成塊TA35306P及相關元件組成。它的第(5)腳直接接到外線端,經過檢測由第(4)腳送出,再經過由74LS04構成的450Hz撥號音整形電路,從74LS04第(8)腳輸出送CPU(14)腳進行判別,它主要用于判別對方電話機是否摘機。4 實際電路分析 電話外線接于PORT4電話線插座,其中插座(1)(2)腳之間接有抗雷擊保護管,插座(1)腳接到機外叉簧開關,經過叉簧開關插座PORT6(1)腳回送到極性保護電路D3正極,同時電話插座(2)腳接極性保護電路D4正極,當本投幣電話機摘機后,叉簧的(1)(2)導通,使外線電壓直接通過極性保護電路,開關切換電路的Q1一直加到通話電路U6的LN腳,從而形成通話回路電流。回路電流在D7和C14上得到穩定電壓12V以作為CPU、通話電路及相關電路的工作電源。由于電流回路的建立,交換機向話機送撥號音,此時從手柄中可以聽到撥號音,但由于此時未投入硬幣,硬幣檢測電路中光敏三極管導通,通過PORT3端口送入CPU,經過CPU處理后,控制撥號集成塊U5不能發號,當在硬幣檢測電路中投入硬幣,通過PORT3端口送入CPU并經過CPU處理后,控制U5可以準備接收鍵盤輸入,由于撥號集成電路U5輸入端直接連接到CPU的輸出端口上,當用戶在鍵盤上按入號碼時,此時由CPU控制的U5的DTMF腳就輸出雙音頻信號送往通話塊U6的對應腳,并經過放大后從U6的LN腳送往外線。

當被叫用戶摘機瞬間,交換機向投幣話機送來反極性信號,該信號通過外線送入本機接口(見圖3),它們是由D5、D6、R14和R42組成的反極性檢測電路,檢測后的信號直接送CPU(12)(13)腳。當CPU判別外線信號極性發生變化時,由CPU擴展口送出收幣控制信號到Q9基極。硬幣檢測信號送到Q8基極。只有當以上兩種信號同時加到對應管子的基極時,收幣機構才能動作,完成收幣任務。這時通話電路接通,即可與對方進行正常通話。 通話快到所投幣規定時間時,CPU通過擴展模塊就會驅動語言模塊的U9,從它的第7腳送出語音信號到通話集成塊U6的IR腳,在受話器得到聲音提示。如果在規定語音提示期間不及時投入硬幣,則規定時間后,CPU通過擴展模塊U2送出掛斷信號到N2基極,當N2基極得到正脈沖時,N2導通迫使Q2截止,使Q1截止,從而切斷通話回路。而當告警一段時間后,通過CPU驅使以上電路重新翻轉,使主電路再次接通,但此時對方電話已經拆線。如果在告警期間及時投入硬幣,通過硬幣檢測電路PORT3端口向CPU送數據,導致N2基極從CPU那里取得負脈沖,使N2截止,使Q1、Q2導通,從而保證通話回路接通。同時CPU控制語音模塊U9停止告警,并且控制Q7、Q8接收硬幣檢測信號和Q9、Q10接收收幣信號,一旦以上兩信號同時出現,即可實現第二次收幣。 如果用戶所撥的是“11X”號碼,即特服電話號碼,如“119、110”等,要求投幣電話機不能實現收費功能,這時需要通過CPU來進行判別,當CPU接到“11X”信號時,它所發出的收幣信號會使Q9、Q10不導通,無法進行收幣,此時不管Q8基極的控制信號極性如何變化,撥號電路可以進行正常發號,通話電路能正常對外進行通話。
參考文獻1 李令奇等.電話機原理與維修.北京:人民郵電出版社,19942 李廣弟.單片機基礎.北京:北京航空航天大學出版社,2001
標簽:石家莊
健身房
陽江
車展營銷
包頭